G120C — это компактная и упрощенная версия преобразователя SINAMICS G120, предназначенная для базовых задач управления асинхронными двигателями (мощностью от 0,55 до 18,5 кВт). В отличие от стандартного G120, который имеет модульную конструкцию (раздельные блок управления CU и силовой модуль PM), G120C выполнен в моноблочном корпусе, что уменьшает габариты и упрощает монтаж, но ограничивает функциональность — отсутствует поддержка PROFIBUS/PROFINET (только USS/MODBUS RTU), нет рекуперации энергии и расширенных режимов управления (например, векторного без датчика). G120C идеален для простых применений (насосы, вентиляторы, конвейеры), где не требуется интеграция в сложные промышленные сети, а G120 выбирают для гибких решений с поддержкой TIA Portal и Safety-функций.
Самый производительный режим из доступных в G120C. Преобразователь вычисляет и раздельно управляет магнитным потоком и моментом двигателя на основе математической модели, без использования датчика скорости (энкодера). Это обеспечивает высокий пусковой момент, точное поддержание скорости даже при изменении нагрузки и хорошую динамику. Требует точного ввода параметров двигателя и проведения процедуры автоматической настройки. Подходит для более сложных задач, например, смесителей или основных конвейеров.
Специализированный энергосберегающий режим для насосов и вентиляторов. Преобразователь автоматически оптимизирует магнитный поток двигателя в зависимости от текущей нагрузки, снижая потери в стали и меди. Это приводит к значительному уменьшению энергопотребления при частичной нагрузке. Режим использует квадратичную характеристику по умолчанию, но может работать и с линейной.
Это улучшенная версия стандартного V/f управления. Алгоритм FCC (Flux Current Control) компенсирует падение напряжения на статоре, особенно на низких частотах, поддерживая магнитный поток двигателя более стабильным. Это позволяет увеличить пусковой момент на низких оборотах и улучшить динамику отклика при изменении нагрузки. Режим хорошо подходит для применений с переменной нагрузкой, где требуется лучшая производительность, чем у базового V/f.
V/f с линейной/квадратичной/настраиваемой характеристикойЭто стандартный и самый простой режим. Напряжение и частота на выходе преобразователя изменяются по заданной зависимости (V/f-характеристике). Линейная характеристика используется для постоянного момента (например, конвейеры), квадратичная — для вентиляторов и насосов, где момент зависит от скорости. Настраиваемая характеристика позволяет гибко адаптировать кривую под специфическую нагрузку. Режим отличается высокой надежностью и не требует данных о двигателе.
Возможность задать до 16 фиксированных значений частоты (скорости двигателя), которые можно мгновенно активировать через комбинации цифровых входов или команды по шине Profibus
Режим ручного управления приводом. Двигатель вращается с фиксированной скоростью при удерживании кнопки или команды. Как только команда прекращается — двигатель останавливается.
Эмуляция переменного резистора. Управление скоростью с помощью команд или кнопок быстрее/медленнее. Подобно резистору функция запоминает текущее состояние в энегонезависимой памяти.
Функция, которая устраняет резкие изменения в профиле скорости при разгоне и торможении за счёт применения S-образной (сигмоидальной) характеристики вместо линейных рамп. Это уменьшает механические удары, вибрации и износ оборудования.
Позволяет оптимизировать процесс быстрой остановки (Fast Stop), чтобы избежать механических перегрузок, вибраций или повреждений.
Увеличивает выходную частоту для поддержания заданной скорости при росте нагрузки. Это позволяет компенсировать неизбежное увеличение скольжения, обеспечивая стабильность скорости.
Позволяет преобразователю частоты подключиться и синхронизироваться с уже вращающимся двигателем без его предварительной остановки.
Настройка позволяет установит автоматический перезапуск после сбоя сетевого питания или устранения неисправности.
Встроенный ПИД регулятор для поддержания технологических параметров (давления, температуры, расхода и др.) путем корректировки скорости двигателя.
Позволяет отображать и отслеживать фактическое энергопотребление привода (в кВт·ч) и рассчитывать экономию энергии, что помогает контролировать затраты и эффективность системы.
Встроенные датчики силовых ключей и ключевых компонентов, математическую модель перегрузки двигателя (I²t), и поддержка внешних датчиков температуры PTC, Pt1000, KTY.
Использует динимическое торможение с заданным вменем остановки, используя внешний резистор для рассеивания энергии двигателя в виде тепла или рекуператор.
Поддерживает работу привода при провалах напряжения сети за счёт преобразования кинетической энергии вращающегося двигателя в электрическую, предотвращая аварийные остановки.
Автоматическая процедура определения и сохранения ключевых электрических параметров двигателя: активного сопротивления статора, индуктивности и других.
Управление электромеханическим тормозом двигателя через программируемый цифровой выход привода, которая активируется при остановке или аварийном отключении.
Контроллер Vdc_max автоматически ограничевает напряжение в звене постоянного тока, за счёт увеличения времени замедления, что бы преобразователь продолжил работу и не сработала защита.
Преобразователь частоты SINAMICS G120C оснащен встроенной функцией безопасного отключения момента (STO), которая может быть активирована через отказоустойчивые цифровые входы, PROFINET или PROFIBUS с профилем PROFIsafe. Электронная реализация Safety Integrated обеспечивает быстрое время отклика по сравнению с решениями, использующими внешние контрольные устройства.
Двухстрочный дисплей, упрощающий процесс ввода в эксплуатацию и поиска неисправностей привода. Обеспечивает локальное управление приводом.
Это удобная и мощная графическая панель оператора для ввода в эксплуатацию, диагностики, локального управления и мониторинга SINAMICS G120C.
Включает корпус с аккумуляторными батареями, зарядное устройство, соединительный кабель RS232 и USB-кабель. Время работы полностью заряженных аккумуляторов — до 10 часов.
Настройки параметров преобразователя можно сохранить на карте памяти SINAMICS SD. При проведении сервисных работ, например, при замене преобразователя, после загрузки данных с карты памяти система привода сразу же готова к использованию. Соответствующий держатель карты памяти встроен в преобразователь.
Ввод в эксплуатацию и управление преобразователями SINAMICS G120, SINAMICS G120C и SINAMICS G120P с прошивкой V4.7 SP6 и выше также удобно выполнять с помощью модуля веб-сервера SINAMICS G120 Smart Access и подключенного к нему смартфона, планшета или ноутбука.
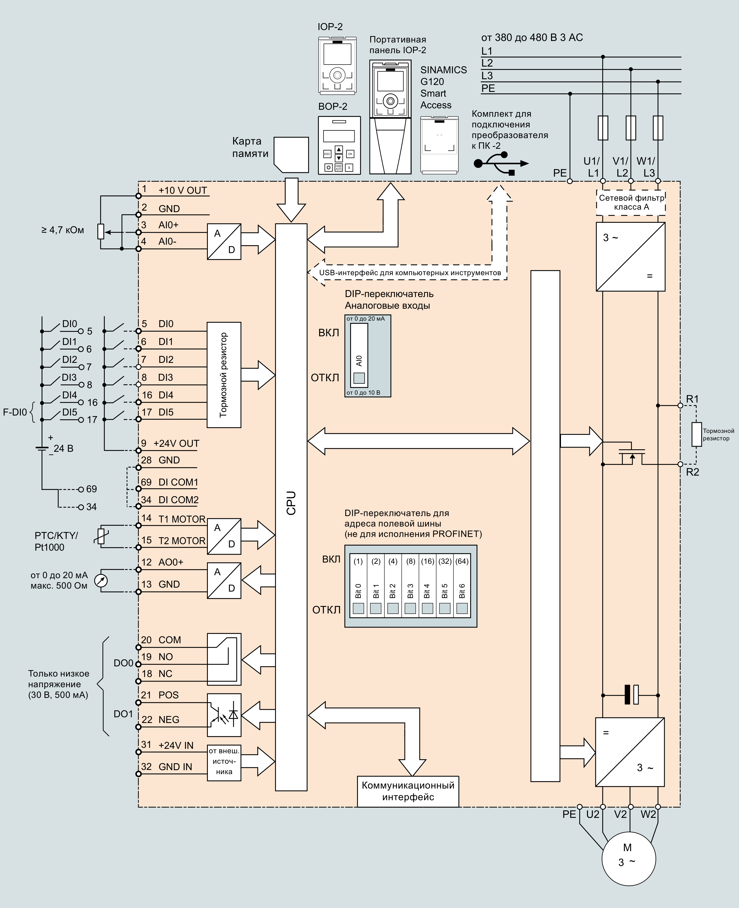
Переферия преобразователя включает 4 цифровых входа (DI), 2 аналоговых входа (AI), 2 релейных выхода (DO), 1 аналоговый выход (AO), встроенный RS485, опциональные PROFIBUS / PROFINET / CANopen модули, клеммы 24 В DC, тормозного резистора (DC+/BR+/BR-) и SD-слот.




Доставка по России — транспортной компанией «Деловые линии» или другой, можем обсудить при оформлении заказа. Можно заказать доставку до терминала или до адреса. Также доступен самовывоз из Екатеринбурга: ул. Академика Бардина, 28. Стоимость и сроки уточняйте у менеджера.
Отметки SNK у дискретных выходов и SRC у дискретных входов говорят о нестандартной схеме подключения. В таких модулях используется NPN структура транзистора (или эквивалент). В такой схеме разрыв цепи осуществляется не со стороны "+" а со стороны "-", относительно датчика или нагрузки.
Мы рекомендуем начинать выбор ПЛК с установки среды разработки и конфигурации проекта. В нашем каталоге вы сможете найти выбранное устройство, альтернативные варианты, а также уточнить возможность поставки отсутствующих.
Это ошибка перевода технического термина с немецкого на английский. Изначально P-lesend на немецком означает PNP структуру транзистора на входе. P-lesend и P-schaltend - это PNP, а M-lesend и M-schaltend это NPN, где lesend - вход, а schaltend - выход.
PtP (Point-to-Point) интерфейс — это специализированный последовательный коммуникационный интерфейс Siemens для прямой связи между двумя устройствами, который отличается от обычных интерфейсов типа RS-485 тем, что "из коробки" поддерживает особые протоколы связи: ASCII, 3964®, RK 512. Он работает на скорости до 19.2 Кбит/с в полнодуплексном режиме (RS 422) и до 38.4 Кбит/с в полудуплексном (RS 485), имеет встроенную поддержку протоколов Siemens. Обычный RS-485 является более универсальным решением для многоточечных соединений и требует дополнительной программной настройки протоколов.